About MAXAIR
Corporate Culture
R&D IPD
Service Mission
Office Environment
Contact Us
Product Center
New Product Releases
Cylinder Actuators
Control Components
Auxiliary Components
Electric Actuators
Vacuum Components
Dual/three-axis cylinder
Magnetically Coupled Rodless Cylinder
Solutions
Lithium Batteries
Photovoltaics
Semiconductors
Download Center
Franchise Opportunities
News Center
Industry News
Pneumatic Encyclopedia
Company Announcements
Media Coverage
Join Us
Talent Development
Recruitment
Work at MAXAIR
Employee Events
English
简体中文
回到顶部
Product Center
Leading Chinese Pneumatic Component Brand
Product Center
>
Vacuum Components
>
Vacuum Components
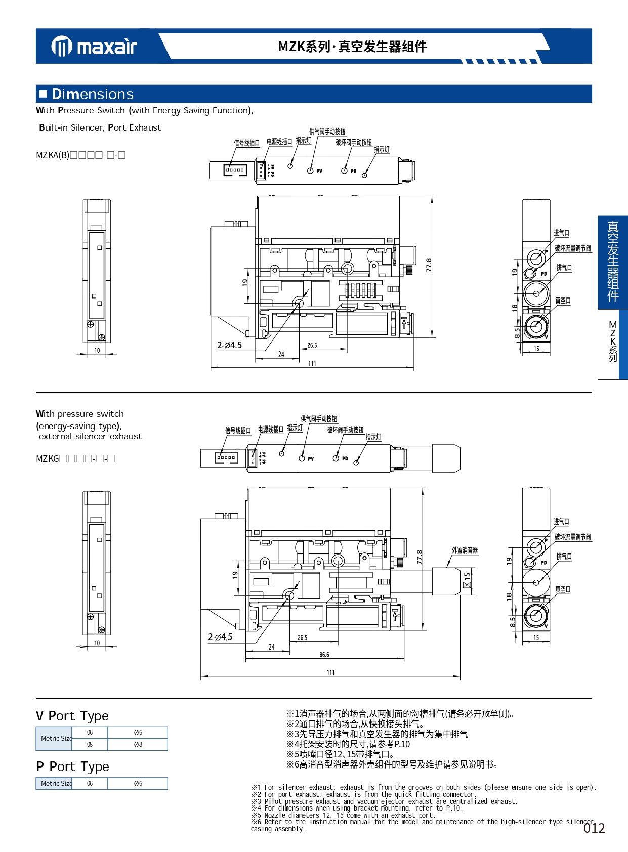
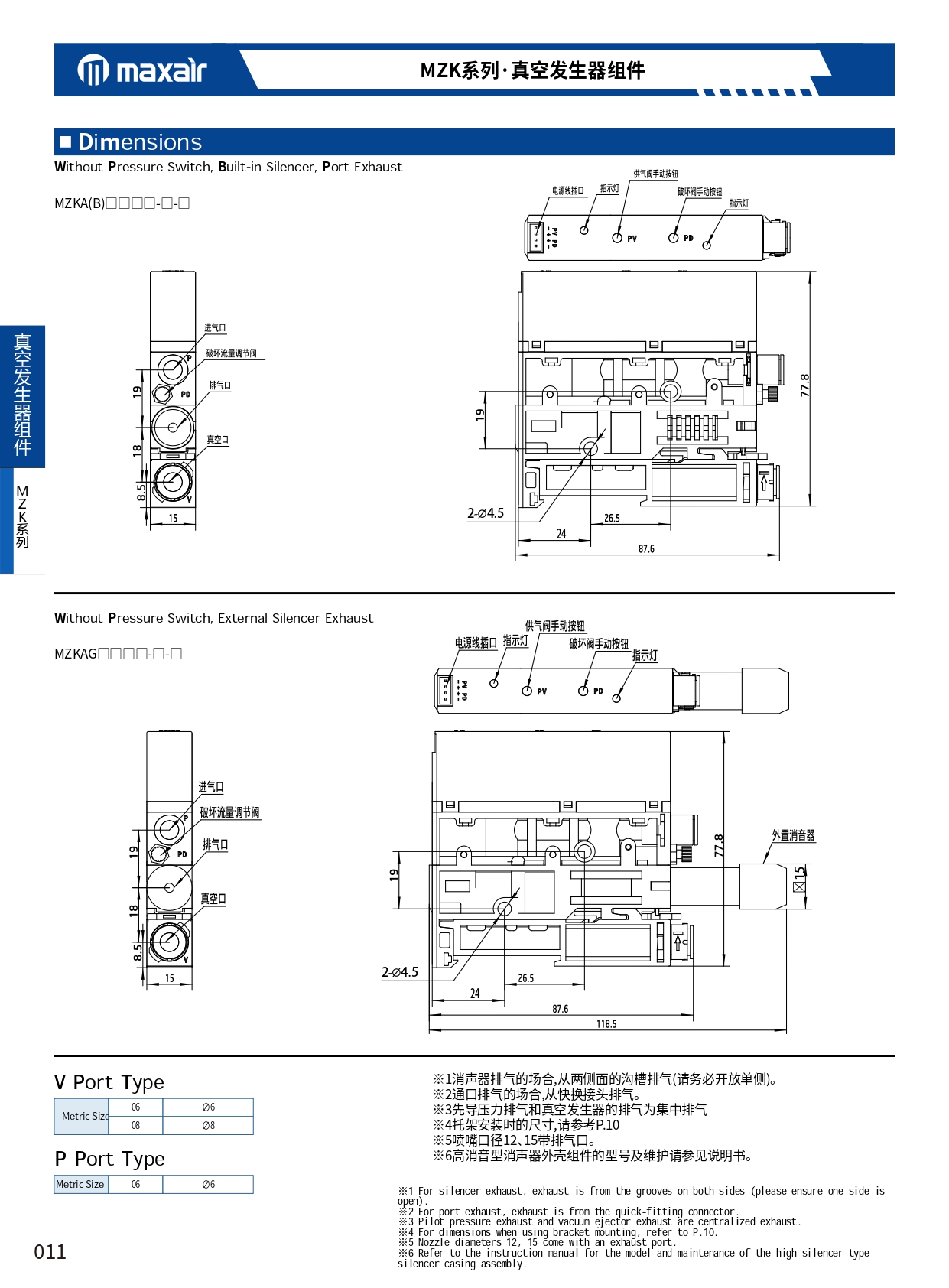
MZK Series Vacuum Generator
4 types of nozzle diameters, 24 combinations to meet the needs of different scenarios.
Manifold assembly type, supports up to 12 units.
Digital energy-saving type, reduces air consumption by over 30%.
Various silencers available to meet noise environment requirements for different occasions.
Supports bracket mounting or DIN rail mounting.
Visible vacuum filter allows timely replacement based on requirements.
Supply pressure range: 0.3 - 0.6 Mpa.
Product Information
Request a Quote Now
Product Introduction
Select Model
Select Size
3D Model
Are you interested in MAXAIR pneumatic components?
We'll provide you with solutions, and you can contact our product experts at any time.
Get Samples
Contact Us